2NZ-FE ENGINE CONTROL SFI SYSTEM P0115 Engine Coolant Temperature Circuit P0117 Engine Coolant Temperature Circuit Low Input P0118 Engine Coolant Temperature Circuit High Input
DESCRIPTION
A thermistor, whose resistance value varies according to the engine coolant temperature, is built into the engine coolant temperature sensor. The structure of the sensor and its connection to the ECM are the same as those of the intake air temperature sensor.
- HINT:
-
When DTC P0115, P0117 or P0118 is stored, the ECM enters fail-safe mode. During fail-safe mode, the engine coolant temperature is estimated to be 80°C (176°F) by the ECM. Fail-safe mode continues until a pass condition is detected.
DTC No. | Detection Item | DTC Detection Condition | Trouble Area | MIL | Memory |
---|---|---|---|---|---|
P0115 | Engine Coolant Temperature Circuit | Open or short in engine coolant temperature sensor circuit for 0.5 seconds (1 trip detection logic). | ·
Open or short in engine coolant temperature sensor circuit ·
Engine coolant temperature sensor ·
ECM |
Comes on | DTC stored |
P0117 | Engine Coolant Temperature Circuit Low Input | Short in engine coolant temperature sensor circuit for 0.5 seconds (1 trip detection logic). | ·
Short in engine coolant temperature sensor circuit ·
Engine coolant temperature sensor ·
ECM |
Comes on | DTC stored |
P0118 | Engine Coolant Temperature Circuit High Input | Open in engine coolant temperature sensor circuit for 0.5 seconds (1 trip detection logic). | ·
Open in engine coolant temperature sensor circuit ·
Engine coolant temperature sensor ·
ECM |
Comes on | DTC stored |
- HINT:
-
When any of these DTCs are output, check the engine coolant temperature using the GTS. Enter the following menus: Powertrain / Engine and ECT / Data List / All Data / Coolant Temp.
Temperature Displayed Malfunction -40°C (-40°F) Open circuit 140°C (284°F) Short circuit
MONITOR DESCRIPTION
The engine coolant temperature sensor is used to monitor the engine coolant temperature. The engine coolant temperature sensor has a thermistor with a resistance that varies according to the temperature of the engine coolant. When the coolant temperature is low, the resistance in the thermistor increases. When the temperature is high, the resistance drops. These variations in resistance are reflected in the output voltage from the sensor. The ECM monitors the sensor voltage and uses this value to calculate the engine coolant temperature. If the sensor output voltage deviates from the normal operating range, the ECM interprets this as a fault in the engine coolant temperature sensor circuit and stores a DTC.
MONITOR STRATEGY
Frequency of Operation | Continuous |
CONFIRMATION DRIVING PATTERN
Connect the GTS to the DLC3.
Turn the ignition switch to ON and turn the GTS on.
Clear the DTCs (even if no DTCs are stored, perform the clear DTC procedure).
Turn the ignition switch off and wait for at least 30 seconds.
Turn the ignition switch to ON and turn the GTS on.
Wait 5 seconds or more.
Enter the following menus: Powertrain / Engine and ECT / Trouble Codes.
Read the pending DTCs.
- HINT:
- ·
If a pending DTC is output, the system is malfunctioning.
·If a pending DTC is not output, perform the following procedure.
Enter the following menus: Powertrain / Engine and ECT / Utility / All Readiness.
Input the DTC: P0115, P0117 or P0118.
Check the DTC judgment result.
GTS Display | Description |
---|---|
NORMAL | ·
DTC judgment completed ·
System normal |
ABNORMAL | ·
DTC judgment completed ·
System abnormal |
INCOMPLETE | ·
DTC judgment not completed ·
Perform driving pattern after confirming DTC enabling conditions |
N/A | ·
Unable to perform DTC judgment ·
Number of DTCs which do not fulfill DTC preconditions has reached ECU memory limit |
- HINT:
- ·
If the judgment result shows NORMAL, the system is normal.
·If the judgment result shows ABNORMAL, the system has a malfunction.
·If the judgment result shows INCOMPLETE or N/A, perform the Confirmation Driving Pattern and check the DTC judgment result again.
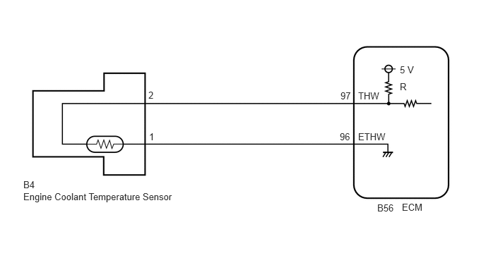
WIRING DIAGRAM

CAUTION / NOTICE / HINT
- HINT:
- ·
Read freeze frame data using the GTS. The ECM records vehicle and driving condition information as freeze frame data the moment a DTC is stored. When troubleshooting, freeze frame data can help determine if the vehicle was moving or stationary, if the engine was warmed up or not, if the air fuel ratio was lean or rich, and other data from the time the malfunction occurred.
·If DTC P0117 is stored, check that the engine does not overheat (the DTC P0117 may be stored due to engine overheating).
PROCEDURE
Connect the GTS to the DLC3.
Turn the ignition switch to ON.
Turn the GTS on.
Enter the following menus: Powertrain / Engine and ECT / Data List / All Data / Coolant Temp.
- Powertrain > Engine and ECT > Data List
-
Tester Display Coolant Temp - 50003 234 8
Read the value displayed on the GTS.
- Standard value:
Between 75 and 100°C (167 and 212°F) with warm engine.
- Result:
Result Proceed to -40°C (-40°F) A 140°C (284°F) B Between 75 and 100°C (167 and 212°F) C
- HINT:
- ·
If there is an open circuit, the GTS indicates -40°C (-40°F).
·If there is a short circuit, the GTS indicates 140°C (284°F).
A
B
C
Disconnect the engine coolant temperature sensor connector.

*1 | Engine Coolant Temperature Sensor | *2 | ECM |
*a | Front view of wire harness connector
(to Engine Coolant Temperature Sensor) |
- | - |
Connect terminals 1 and 2 of the engine coolant temperature sensor connector on the wire harness side.
Connect the GTS to the DLC3.
Turn the ignition switch to ON.
Turn the GTS on.
Enter the following menus: Powertrain / Engine and ECT / Data List / All Data / Coolant Temp.
- Powertrain > Engine and ECT > Data List
-
Tester Display Coolant Temp - 50003 234 8
Read the value displayed on the GTS.
- Standard Value:
140°C (284°F)
- Result:
Proceed to OK NG
OK
NG
Disconnect the engine coolant temperature sensor connector.
Disconnect the ECM connector.
Measure the resistance according to the value(s) in the table below.
- Standard Resistance:
Tester Connection Condition Specified Condition B4-2 - B56-97 (THW) Always Below 1 Ω B4-1 - B56-96 (ETHW) Always Below 1 Ω
- Result:
Proceed to OK NG
OK
NG

*1 | Engine Coolant Temperature Sensor |
*2 | ECM |
Disconnect the engine coolant temperature sensor connector.
Connect the GTS to the DLC3.
Turn the ignition switch to ON.
Turn the GTS on.
Enter the following menus: Powertrain / Engine and ECT / Data List / All Data / Coolant Temp.
- Powertrain > Engine and ECT > Data List
-
Tester Display Coolant Temp - 50003 234 8
Read the value displayed on the GTS.
- Standard Value:
-40°C (-40°F)
- Result:
Proceed to OK NG
OK
NG
Disconnect the engine coolant temperature sensor connector.
Disconnect the ECM connector.
Measure the resistance according to the value(s) in the table below.
- Standard Resistance:
Tester Connection Condition Specified Condition B4-2 or B56-97 (THW) - Body ground Always 10 kΩ or higher
- Result:
Proceed to OK NG
OK
NG