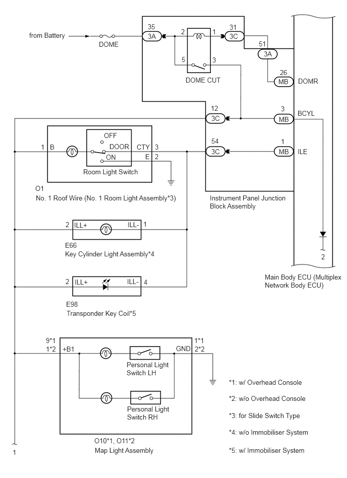
LIGHTING (INT)  LIGHTING SYSTEM  SYSTEM DIAGRAM  


E284629E08
0.198,1.615 1.417,2.01 1.219,0.396 10 false from Ignition Switch Assembly 0.792,1.125 1.74,1.375 0.948,0.25 10 false from Battery 2.25,1.292 2.708,1.49 0.458,0.198 10 false ALT 3.052,1.615 3.365,1.813 0.313,0.198 10 false 3D 3.042,1.146 3.354,1.344 0.313,0.198 10 false 3B 3.052,2.885 3.365,3.083 0.313,0.198 10 false 3D 3.052,3.74 3.365,3.938 0.313,0.198 10 false 3C 3.052,4.26 3.365,4.458 0.313,0.198 10 false 3C 3.042,5.698 3.354,5.896 0.313,0.198 10 false 3C 3.042,6.271 3.354,6.469 0.313,0.198 10 false 3A 5.688,1.135 6,1.333 0.313,0.198 10 false MB 5.688,4.26 6,4.458 0.313,0.198 10 false MB 5.688,5.688 6,5.885 0.313,0.198 10 false MB 5.688,6.271 6,6.469 0.313,0.198 10 false MB 3.906,1.875 4.365,2.073 0.458,0.198 10 false ACC 4.906,1.281 5.365,1.479 0.458,0.198 10 false ACC 5.708,0.958 6.021,1.156 0.313,0.198 10 false 29 6.073,1.146 6.531,1.344 0.458,0.198 10 false ACC 0.229,2.885 1.49,3.292 1.26,0.406 10 false from Ignition Switch Assembly 3.083,0.948 3.24,1.146 0.156,0.198 10 false 1 3.063,1.427 3.344,1.698 0.281,0.271 10 false 26 3.052,2.698 3.333,2.969 0.281,0.271 10 false 25 3.063,3.552 3.344,3.823 0.281,0.271 10 false 37 3.052,4.969 3.365,5.167 0.313,0.198 10 false 3D 3.063,4.083 3.344,4.354 0.281,0.271 10 false 51 3.052,4.781 3.333,5.052 0.281,0.271 10 false 12 3.094,5.51 3.406,5.708 0.313,0.198 10 false 9 3.052,6.083 3.365,6.281 0.313,0.198 10 false 43 1.969,6.417 2.885,6.688 0.917,0.271 10 false ECU-B NO. 1 0.781,6.25 1.698,6.521 0.917,0.271 10 false from Battery 3.74,3.167 4.427,3.396 0.688,0.229 10 false IG1 NO. 3 4.813,2.792 5.344,3.188 0.531,0.396 10 false ECU-IG NO. 4 5.719,4.073 6.031,4.271 0.313,0.198 10 false 32 6.073,4.271 6.385,4.469 0.313,0.198 10 false IG 5.708,5.5 6.021,5.698 0.313,0.198 10 false 11 5.719,6.083 6.031,6.281 0.313,0.198 10 false 30 6.073,6.281 6.688,6.479 0.615,0.198 10 false BECU 6.063,5.708 6.677,5.906 0.615,0.198 10 false GND1 2.896,6.729 5.604,6.99 2.708,0.26 10 false Instrument Panel Junction Block Assembly 5.417,7.417 7.083,7.927 1.667,0.51 10 false Main Body ECU (Multiplex Network Body ECU)

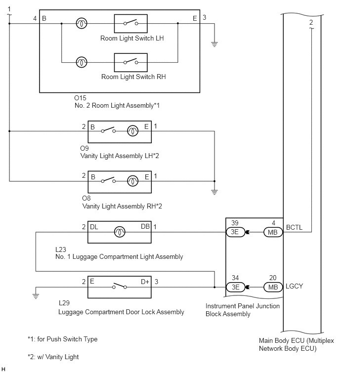
E348159E01
0.604,0.646 1.49,0.844 0.885,0.198 10 false from Battery 6.156,1.594 6.771,1.792 0.615,0.198 10 false DOMR 3.052,0.469 3.323,0.677 0.271,0.208 10 false 35 3.052,0.667 3.323,0.875 0.271,0.208 10 false 3A 3.74,0.573 4.01,0.781 0.271,0.208 10 false 2 3.75,1.146 4.021,1.354 0.271,0.208 10 false 5 4.385,0.573 4.656,0.781 0.271,0.208 10 false 1 4.385,1.156 4.656,1.365 0.271,0.208 10 false 3 3.833,1.573 4.708,1.792 0.875,0.219 10 false DOME CUT 4.74,0.479 5.01,0.688 0.271,0.208 10 false 31 4.74,0.667 5,0.865 0.26,0.198 10 false 3C 5.344,0.823 5.615,1.031 0.271,0.208 10 false 51 5.448,1.031 5.719,1.24 0.271,0.208 10 false 3A 5.781,1.417 6.052,1.625 0.271,0.208 10 false 26 5.802,2.167 6.073,2.375 0.271,0.208 10 false 3 5.802,2.844 6.073,3.052 0.271,0.208 10 false 1 5.75,1.604 6.021,1.813 0.271,0.208 10 false MB 5.76,2.385 6.031,2.594 0.271,0.208 10 false MB 5.76,3.052 6.031,3.26 0.271,0.208 10 false MB 6.146,2.26 6.76,2.458 0.615,0.198 10 false BCYL 6.146,3.052 6.76,3.25 0.615,0.198 10 false ILE 4.354,2.156 4.625,2.365 0.271,0.208 10 false 12 4.365,2.365 4.625,2.563 0.26,0.198 10 false 3C 4.365,3.052 4.625,3.25 0.26,0.198 10 false 3C 4.365,2.833 4.635,3.042 0.271,0.208 10 false 54 4.333,4.01 5.958,4.552 1.625,0.542 10 false Instrument Panel Junction Block Assembly 6.635,5.229 6.906,5.438 0.271,0.208 10 false 2 5.469,5.646 7.135,6.188 1.667,0.542 10 false Main Body ECU (Multiplex Network Body ECU) 0.844,2.958 1.115,3.167 0.271,0.208 10 false 1 3.198,2.958 3.469,3.167 0.271,0.208 10 false 3 3.198,3.156 3.469,3.365 0.271,0.208 10 false 2 2.042,0.833 2.656,1.031 0.615,0.198 10 false DOME 2.146,2.719 2.76,2.917 0.615,0.198 10 false OFF 2.26,2.948 2.875,3.146 0.615,0.198 10 false DOOR 2.188,3.167 2.802,3.365 0.615,0.198 10 false ON 1.719,3.469 3.146,3.677 1.427,0.208 10 false Room Light Switch 0.729,3.813 2.156,4.021 1.427,0.208 10 false O1 0.74,4.01 4.031,4.229 3.292,0.219 10 false No. 1 Roof Wire (No. 1 Room Light Assembly*3) 1.354,4.563 1.625,4.771 0.271,0.208 10 false 2 2.958,4.552 3.229,4.76 0.271,0.208 10 false 1 1.344,4.99 1.813,5.188 0.469,0.198 10 false E66 1.531,4.573 2,4.771 0.469,0.198 10 false ILL+ 2.635,4.563 3.104,4.76 0.469,0.198 10 false ILL- 0.948,6.958 1.271,7.146 0.323,0.188 10 false 9*1 0.948,7.135 1.271,7.333 0.323,0.198 10 false 1*2 4.01,6.958 4.333,7.146 0.323,0.188 10 false 1*1 4.021,7.135 4.344,7.323 0.323,0.188 10 false 2*2 1.292,7.135 1.76,7.333 0.469,0.198 10 false +B1 2.615,7.458 3.563,7.917 0.948,0.458 10 false Personal Light Switch LH 2.625,8.375 3.563,8.813 0.938,0.438 10 false Personal Light Switch RH 1.948,9.031 3.083,9.24 1.135,0.208 10 false O10*1, O11*2 1.958,9.229 3.375,9.469 1.417,0.24 10 false Map Light Assembly 0.26,9.271 0.531,9.479 0.271,0.208 10 false 1 2.823,2.958 3.438,3.156 0.615,0.198 10 false CTY 3,3.156 3.24,3.333 0.24,0.177 10 false E 4.729,7.823 7.073,8.042 2.344,0.219 10 false *1: w/ Overhead Console 4.729,8.156 7.073,8.375 2.344,0.219 10 false *2: w/o Overhead Console 4.729,8.51 7.073,8.729 2.344,0.219 10 false *3: for Slide Switch Type 4.729,8.854 7.073,9.073 2.344,0.219 10 false *4: w/o Immobiliser System 4.729,9.229 7.073,9.448 2.344,0.219 10 false *5: w/ Immobiliser System 1.354,5.74 1.625,5.948 0.271,0.208 10 false 2 1.542,5.75 2.01,5.948 0.469,0.198 10 false ILL+ 2.625,5.74 3.094,5.938 0.469,0.198 10 false ILL- 2.969,5.75 3.24,5.958 0.271,0.208 10 false 4 1.344,5.167 3.604,5.406 2.26,0.24 10 false Key Cylinder Light Assembly*4 1.365,6.208 1.833,6.406 0.469,0.198 10 false E98 1.375,6.396 3.635,6.635 2.26,0.24 10 false Transponder Key Coil*5 1.031,2.958 1.271,3.135 0.24,0.177 10 false B 3.635,7.125 4.104,7.323 0.469,0.198 10 false GND

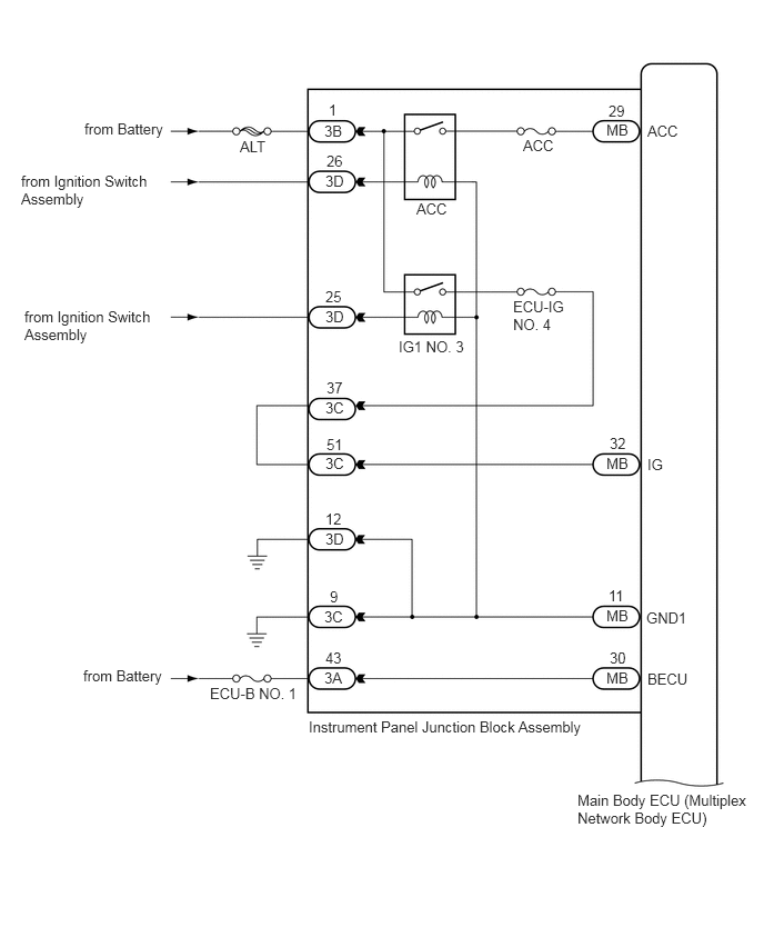
E296289E03
2.115,0.719 3.51,0.906 1.396,0.188 10 false Room Light Switch LH 2.135,1.531 3.531,1.719 1.396,0.188 10 false Room Light Switch RH 1.563,1.979 2.021,2.177 0.458,0.198 10 false O15 1.573,2.135 5.698,2.333 4.125,0.198 10 false No. 2 Room Light Assembly*1 0.156,0.104 0.313,0.302 0.156,0.198 10 false 1 0.698,0.302 0.854,0.5 0.156,0.198 10 false 4 0.885,0.302 1.344,0.5 0.458,0.198 10 false B 4.063,0.302 4.521,0.5 0.458,0.198 10 false E 4.271,0.281 4.427,0.479 0.156,0.198 10 false 3 6.521,0.385 6.677,0.583 0.156,0.198 10 false 2 1.729,2.583 1.885,2.781 0.156,0.198 10 false 2 3.24,2.573 3.396,2.771 0.156,0.198 10 false 1 3.24,3.625 3.396,3.823 0.156,0.198 10 false 1 1.729,3.615 1.885,3.813 0.156,0.198 10 false 2 1.906,2.594 2.063,2.792 0.156,0.198 10 false B 1.917,3.646 2.073,3.844 0.156,0.198 10 false B 3.042,2.583 3.198,2.781 0.156,0.198 10 false E 3.052,3.646 3.208,3.844 0.156,0.198 10 false E 6.031,4.708 6.646,4.906 0.615,0.198 10 false BCTL 5.646,4.813 5.958,5.01 0.313,0.198 10 false MB 5.656,5.969 5.969,6.167 0.313,0.198 10 false MB 4.865,4.802 5.177,5 0.313,0.198 10 false 3E 4.885,5.969 5.198,6.167 0.313,0.198 10 false 3E 5.729,4.615 5.885,4.813 0.156,0.198 10 false 4 5.677,5.771 5.854,5.969 0.177,0.198 10 false 20 6.021,5.948 6.635,6.146 0.615,0.198 10 false LGCY 4.875,4.615 5.188,4.813 0.313,0.198 10 false 39 4.885,5.771 5.198,5.969 0.313,0.198 10 false 34 2.969,4.688 3.281,4.885 0.313,0.198 10 false DB 1.896,4.698 2.208,4.896 0.313,0.198 10 false DL 3.229,4.698 3.385,4.896 0.156,0.198 10 false 1 1.729,4.698 1.885,4.896 0.156,0.198 10 false 2 1.688,3.042 2.146,3.24 0.458,0.198 10 false O9 1.729,4.094 2.188,4.292 0.458,0.198 10 false O8 1.698,3.198 3.479,3.396 1.781,0.198 10 false Vanity Light Assembly LH*2 1.74,4.26 3.531,4.438 1.792,0.177 10 false Vanity Light Assembly RH*2 1.167,5.323 3.927,5.521 2.76,0.198 10 false No. 1 Luggage Compartment Light Assembly 1.167,5.177 1.625,5.375 0.458,0.198 10 false L23 1.896,5.844 2.052,6.042 0.156,0.198 10 false E 2.969,5.854 3.281,6.052 0.313,0.198 10 false D+ 1.229,6.49 3.958,6.708 2.729,0.219 10 false Luggage Compartment Door Lock Assembly 1.24,6.302 1.698,6.5 0.458,0.198 10 false L29 1.729,5.854 1.885,6.052 0.156,0.198 10 false 2 3.26,5.854 3.417,6.052 0.156,0.198 10 false 3 4.333,6.365 5.948,6.75 1.615,0.385 10 false Instrument Panel Junction Block Assembly 5.458,7.094 7.115,7.448 1.656,0.354 10 false Main Body ECU (Multiplex Network Body ECU) 0.583,7.063 3.313,7.281 2.729,0.219 10 false *1: for Push Switch Type 0.583,7.438 3.313,7.656 2.729,0.219 10 false *2: w/ Vanity Light

E296290E02
4.344,1.198 5.938,1.583 1.594,0.385 10 false Instrument Panel Junction Block Assembly 5.469,6.719 7.094,7.104 1.625,0.385 10 false Main Body ECU (Multiplex Network Body ECU) 1.073,1.281 3.979,1.469 2.906,0.188 10 false Front Door Courtesy Light Switch Assembly LH 1.073,1.125 1.385,1.323 0.313,0.198 10 false L1 1.156,2.708 4.104,2.917 2.948,0.208 10 false Front Door Courtesy Light Switch Assembly RH 1.156,2.563 1.615,2.76 0.458,0.198 10 false L36 3.24,0.646 3.396,0.844 0.156,0.198 10 false 1 3.24,2.115 3.396,2.313 0.156,0.198 10 false 1 3.25,3.365 3.406,3.563 0.156,0.198 10 false 1 3.24,4.625 3.396,4.823 0.156,0.198 10 false 1 1.177,3.99 4.073,4.198 2.896,0.208 10 false Rear Door Courtesy Light Switch Assembly LH 1.177,3.844 1.49,4.042 0.313,0.198 10 false L2 1.167,5.229 4.031,5.406 2.865,0.177 10 false Rear Door Courtesy Light Switch Assembly RH 1.167,5.083 1.625,5.281 0.458,0.198 10 false L37 5.656,0.771 5.969,0.969 0.313,0.198 10 false MB 5.719,0.573 5.875,0.771 0.156,0.198 10 false 2 4.865,0.771 5.177,0.969 0.313,0.198 10 false 3E 4.865,0.573 5.177,0.771 0.313,0.198 10 false 37 6.021,0.76 6.635,0.958 0.615,0.198 10 false FLCY 6.021,2.219 6.635,2.417 0.615,0.198 10 false FRCY 5.646,2.229 6.104,2.427 0.458,0.198 10 false E31 5.667,2.031 5.979,2.229 0.313,0.198 10 false 19 5.656,3.479 6.115,3.677 0.458,0.198 10 false E31 5.646,4.729 6.104,4.927 0.458,0.198 10 false E31 5.656,5.99 6.115,6.188 0.458,0.198 10 false E31 6.01,3.479 6.625,3.677 0.615,0.198 10 false LCTY 6.021,4.698 6.635,4.896 0.615,0.198 10 false RCTY 6.031,5.979 6.646,6.177 0.615,0.198 10 false LSFR 5.688,3.281 6,3.479 0.313,0.198 10 false 24 5.698,5.792 6.125,6.01 0.427,0.219 10 false 18 5.708,4.521 5.865,4.719 0.156,0.198 10 false 6 1.729,5.875 1.885,6.073 0.156,0.198 10 false 8 3.229,5.865 3.385,6.063 0.156,0.198 10 false 7 1.646,6.49 5.771,6.688 4.125,0.198 10 false Front Door Lock Assembly RH* 1.635,6.333 1.948,6.531 0.313,0.198 10 false G7 2.792,5.885 3.406,6.083 0.615,0.198 10 false LSSR 1.896,5.885 2.052,6.083 0.156,0.198 10 false E 0.677,7 3.76,7.313 3.083,0.313 10 false *: w/ Power Door Lock