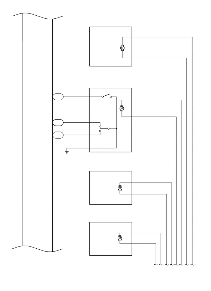
DOOR LOCK  WIRELESS DOOR LOCK CONTROL SYSTEM  SYSTEM DIAGRAM  


Wireless Door Lock Control System


B337498
1.531,1.156 1.99,1.354 0.458,0.198 10 false ACC 1.948,1.156 2.406,1.354 0.458,0.198 10 false MB 1.958,0.958 2.417,1.156 0.458,0.198 10 false 29 2.865,1.302 3.323,1.5 0.458,0.198 10 false ACC 4.125,1.156 5.417,1.406 1.292,0.25 10 false from ACC Relay 2.542,1.583 4.104,1.896 1.563,0.313 10 false from IG1 NO. 3 Relay 4.292,1.74 5.427,2.052 1.135,0.313 10 false ECU-IG NO. 4 5.635,1.594 6.094,1.792 0.458,0.198 10 false 3C 5.635,1.385 6.094,1.583 0.458,0.198 10 false 37 5.646,2.073 6.104,2.271 0.458,0.198 10 false 3C 5.635,1.875 6.094,2.073 0.458,0.198 10 false 51 1.948,2.073 2.406,2.271 0.458,0.198 10 false MB 1.958,1.865 2.417,2.063 0.458,0.198 10 false 32 1.667,2.063 2.125,2.26 0.458,0.198 10 false IG 3.313,2.385 6.083,2.698 2.771,0.313 10 false Instrument Panel Junction Block Assembly 1.438,2.896 1.896,3.094 0.458,0.198 10 false BECU 1.948,2.885 2.406,3.083 0.458,0.198 10 false MB 1.969,2.688 2.427,2.885 0.458,0.198 10 false 30 3.365,2.885 3.823,3.083 0.458,0.198 10 false 3A 3.365,2.698 3.823,2.896 0.458,0.198 10 false 43 3.885,3.042 5.021,3.354 1.135,0.313 10 false ECU-B NO. 1 5.344,2.885 6.479,3.198 1.135,0.313 10 false from Battery 1.49,3.792 1.948,3.99 0.458,0.198 10 false KSW 1.938,3.771 2.396,3.969 0.458,0.198 10 false E31 1.979,3.583 2.438,3.781 0.458,0.198 10 false 17 3.698,3.646 4.156,3.844 0.458,0.198 10 false 1 4.74,3.656 5.198,3.854 0.458,0.198 10 false 2 3.281,3.958 3.74,4.156 0.458,0.198 10 false E5 3.271,4.104 6.042,4.417 2.771,0.313 10 false Unlock Warning Switch Assembly 1.521,5 1.979,5.198 0.458,0.198 10 false CAN 3.479,5 3.938,5.198 0.458,0.198 10 false CAN 3.177,5.396 5.177,5.781 2,0.385 10 false Combination Meter Assembly 1.531,6.219 1.99,6.417 0.458,0.198 10 false RDA 1.938,6.219 2.396,6.417 0.458,0.198 10 false E31 1.969,6.031 2.427,6.229 0.458,0.198 10 false 16 3.156,6.115 3.615,6.313 0.458,0.198 10 false 2 3.354,6.229 3.813,6.427 0.458,0.198 10 false RDA 1.51,6.906 1.969,7.104 0.458,0.198 10 false PRG 1.938,6.896 2.396,7.094 0.458,0.198 10 false E31 2.01,6.698 2.469,6.896 0.458,0.198 10 false 4 3.156,6.802 3.615,7 0.458,0.198 10 false 3 3.344,6.906 3.802,7.104 0.458,0.198 10 false PRG 4.031,6.115 4.49,6.313 0.458,0.198 10 false +B 4.49,6.25 5.458,6.51 0.969,0.26 10 false ECU-B NO. 1 5.781,6.104 6.75,6.365 0.969,0.26 10 false from Battery 4.333,6.01 4.792,6.208 0.458,0.198 10 false 5 3.938,6.688 4.396,6.885 0.458,0.198 10 false GND 4.333,6.573 4.792,6.771 0.458,0.198 10 false 1 3.125,7.302 3.583,7.5 0.458,0.198 10 false L48 3.125,7.469 5.125,7.854 2,0.385 10 false Door Control Receiver 0.583,7.677 2.229,8.188 1.646,0.51 10 false Main Body ECU (Multiplex Network Body ECU) 3.167,8.271 5.167,8.656 2,0.385 10 false : CAN Communication Line

B333678
1.302,1.479 1.917,1.677 0.615,0.198 10 false FLCY 1.281,3.021 1.896,3.219 0.615,0.198 10 false FRCY 1.302,3.969 1.917,4.167 0.615,0.198 10 false LCTY 1.292,4.917 1.906,5.115 0.615,0.198 10 false RCTY 1.875,1.271 2.125,1.521 0.25,0.25 10 false 2 1.802,1.49 2.052,1.74 0.25,0.25 10 false MB 1.833,2.823 2.083,3.073 0.25,0.25 10 false 19 1.781,3.031 2.167,3.25 0.385,0.219 10 false E31 1.781,3.979 2.167,4.198 0.385,0.219 10 false E31 1.844,3.781 2.229,4 0.385,0.219 10 false 24 1.781,4.927 2.167,5.146 0.385,0.219 10 false E31 1.875,4.719 2.26,4.938 0.385,0.219 10 false 6 3.385,1.479 3.635,1.729 0.25,0.25 10 false 3E 3.406,1.26 3.656,1.51 0.25,0.25 10 false 37 4.552,1.365 4.802,1.615 0.25,0.25 10 false 1 4.417,1.833 6.083,2.167 1.667,0.333 10 false Front Door Courtesy Light Switch Assembly (for LH) 4.417,1.667 4.667,1.917 0.25,0.25 10 false L1 1.771,1.917 3.365,2.396 1.594,0.479 10 false Instrument Panel Junction Block Assembly 3.667,2.917 3.917,3.167 0.25,0.25 10 false 1 3.667,3.854 3.917,4.104 0.25,0.25 10 false 1 3.667,4.813 3.917,5.063 0.25,0.25 10 false 1 2.813,3.167 3.063,3.417 0.25,0.25 10 false L36 2.813,3.333 6.094,3.594 3.281,0.26 10 false Front Door Courtesy Light Switch Assembly (for RH) 2.813,4.333 6.063,4.594 3.25,0.26 10 false Rear Door Courtesy Light Switch Assembly (for LH) 2.813,4.167 3.063,4.417 0.25,0.25 10 false L2 2.802,5.083 3.135,5.333 0.333,0.25 10 false L37 2.813,5.25 6.177,5.469 3.365,0.219 10 false Rear Door Courtesy Light Switch Assembly (for RH) 0.375,6.031 2.021,6.458 1.646,0.427 10 false Main Body ECU (Multiplex Network Body ECU)

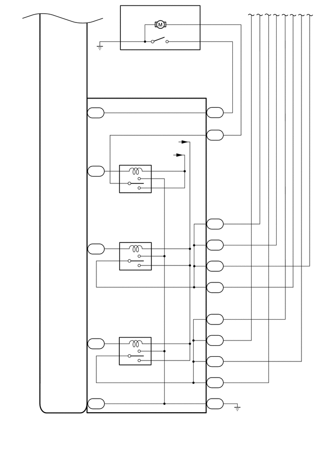
B372227
2.865,2.448 6.99,2.646 4.125,0.198 10 false Front Door Lock Assembly LH 2.844,5.333 6.969,5.531 4.125,0.198 10 false Front Door Lock Assembly RH 2.927,7.135 7.052,7.333 4.125,0.198 10 false Rear Door Lock Assembly RH 2.906,8.865 7.031,9.063 4.125,0.198 10 false Rear Door Lock Assembly LH 0.479,8.615 2.135,9.063 1.656,0.448 10 false Main Body ECU (Multiplex Network Body ECU) 1.375,3.208 1.99,3.406 0.615,0.198 10 false LSFR 1.583,4.083 2.198,4.281 0.615,0.198 10 false L2 1.49,4.51 2.104,4.708 0.615,0.198 10 false UL2 1.854,3.198 2.469,3.396 0.615,0.198 10 false E31 1.854,4.073 2.469,4.271 0.615,0.198 10 false E31 1.854,4.5 2.469,4.698 0.615,0.198 10 false E31 1.885,4.302 2.5,4.5 0.615,0.198 10 false 12 1.896,3.875 2.51,4.073 0.615,0.198 10 false 11 1.896,3 2.51,3.198 0.615,0.198 10 false 18 2.917,3.094 3.531,3.292 0.615,0.198 10 false 7 2.906,3.979 3.521,4.177 0.615,0.198 10 false 6 2.906,4.385 3.521,4.583 0.615,0.198 10 false 5 2.917,4.833 3.531,5.031 0.615,0.198 10 false 8 3.083,3.094 3.698,3.292 0.615,0.198 10 false LSSR 3.094,3.99 3.708,4.188 0.615,0.198 10 false L 3.094,4.406 3.708,4.604 0.615,0.198 10 false UL 3.094,4.854 3.708,5.052 0.615,0.198 10 false E 4.344,1.073 4.958,1.271 0.615,0.198 10 false L 4.271,1.771 4.885,1.969 0.615,0.198 10 false UL 4.542,1.063 5.156,1.26 0.615,0.198 10 false 4 4.542,1.771 5.156,1.969 0.615,0.198 10 false 1 4.333,3.198 4.948,3.396 0.615,0.198 10 false L 4.25,3.781 4.865,3.979 0.615,0.198 10 false UL 4.531,3.198 5.146,3.396 0.615,0.198 10 false 4 4.531,3.771 5.146,3.969 0.615,0.198 10 false 1 2.865,2.281 3.479,2.479 0.615,0.198 10 false H8 2.844,5.177 3.458,5.375 0.615,0.198 10 false G7 2.927,6.969 3.542,7.167 0.615,0.198 10 false J3 2.906,8.708 3.521,8.906 0.615,0.198 10 false K3 4.344,6.021 4.958,6.219 0.615,0.198 10 false L 4.271,6.417 4.885,6.615 0.615,0.198 10 false UL 4.354,7.729 4.969,7.927 0.615,0.198 10 false L 4.25,8.094 4.865,8.292 0.615,0.198 10 false UL 4.542,6.01 5.156,6.208 0.615,0.198 10 false 4 4.552,7.719 5.167,7.917 0.615,0.198 10 false 4 4.531,6.396 5.146,6.594 0.615,0.198 10 false 1 4.542,8.083 5.156,8.281 0.615,0.198 10 false 1 5.24,9.042 5.448,9.229 0.208,0.188 10 false A 5.438,9.042 5.646,9.229 0.208,0.188 10 false B 5.625,9.042 5.833,9.229 0.208,0.188 10 false C 5.792,9.042 6,9.229 0.208,0.188 10 false D 5.958,9.042 6.167,9.229 0.208,0.188 10 false E 6.125,9.052 6.333,9.24 0.208,0.188 10 false F 6.281,9.052 6.49,9.24 0.208,0.188 10 false G 6.479,9.052 6.688,9.24 0.208,0.188 10 false H

B372228
2.177,1.219 7.156,1.438 4.979,0.219 10 false Luggage Compartment Door Lock Assembly 2.5,2.948 4.115,3.177 1.615,0.229 10 false from D/L NO. 3 Fuse 2.406,3.229 4.021,3.458 1.615,0.229 10 false from D/L NO. 2 Fuse 2.479,4.156 4.094,4.385 1.615,0.229 10 false BK/DR LOCK 2.635,5.802 4.25,6.031 1.615,0.229 10 false D/LOCK 2.552,7.833 4.167,8.063 1.615,0.229 10 false D/UNLOCK 1.438,2.323 2.052,2.521 0.615,0.198 10 false LGCY 1.531,3.573 2.146,3.771 0.615,0.198 10 false TR+ 0.115,8.854 1.75,9.281 1.635,0.427 10 false Main Body ECU (Multiplex Network Body ECU) 1.948,8.875 4.948,9.135 3,0.26 10 false Instrument Panel Junction Block Assembly 1.469,5.229 2.083,5.427 0.615,0.198 10 false ACT+ 1.49,7.24 2.104,7.438 0.615,0.198 10 false ACT- 1.438,8.521 2.052,8.719 0.615,0.198 10 false GND1 1.948,2.323 2.563,2.521 0.615,0.198 10 false MB 1.969,2.115 2.583,2.313 0.615,0.198 10 false 20 1.948,3.563 2.563,3.76 0.615,0.198 10 false MB 1.948,5.219 2.563,5.417 0.615,0.198 10 false MB 1.948,7.25 2.563,7.448 0.615,0.198 10 false MB 1.958,8.531 2.573,8.729 0.615,0.198 10 false MB 2.021,3.375 2.635,3.573 0.615,0.198 10 false 6 2.021,7.052 2.635,7.25 0.615,0.198 10 false 8 1.979,8.333 2.594,8.531 0.615,0.198 10 false 11 4.51,2.313 5.125,2.51 0.615,0.198 10 false 3E 4.51,2.792 5.125,2.99 0.615,0.198 10 false 3E 4.51,4.688 5.125,4.885 0.615,0.198 10 false 3E 4.51,5.146 5.125,5.344 0.615,0.198 10 false 3E 4.51,5.594 5.125,5.792 0.615,0.198 10 false 3C 4.521,6.052 5.135,6.25 0.615,0.198 10 false 3C 4.521,6.729 5.135,6.927 0.615,0.198 10 false 3C 4.521,7.177 5.135,7.375 0.615,0.198 10 false 3E 4.521,7.625 5.135,7.823 0.615,0.198 10 false 3C 4.521,8.073 5.135,8.271 0.615,0.198 10 false 3E 4.521,8.531 5.135,8.729 0.615,0.198 10 false 3D 4.531,2.115 5.146,2.313 0.615,0.198 10 false 34 4.521,2.604 5.135,2.802 0.615,0.198 10 false 25 2.01,5.031 2.625,5.229 0.615,0.198 10 false 9 4.563,4.5 5.177,4.698 0.615,0.198 10 false 8 4.563,4.938 5.177,5.135 0.615,0.198 10 false 9 4.531,5.385 5.146,5.583 0.615,0.198 10 false 13 4.531,5.844 5.146,6.042 0.615,0.198 10 false 14 4.573,6.531 5.188,6.729 0.615,0.198 10 false 5 4.573,6.99 5.188,7.188 0.615,0.198 10 false 2 4.573,7.427 5.188,7.625 0.615,0.198 10 false 4 4.573,7.875 5.188,8.073 0.615,0.198 10 false 1 4.531,8.333 5.146,8.531 0.615,0.198 10 false 12 3.885,0.344 4.5,0.542 0.615,0.198 10 false ACT+ 4.031,0.698 4.646,0.896 0.615,0.198 10 false D+ 2.635,0.698 3.25,0.896 0.615,0.198 10 false E 2.448,0.698 3.063,0.896 0.615,0.198 10 false 2 4.323,0.333 4.938,0.531 0.615,0.198 10 false 1 4.323,0.698 4.938,0.896 0.615,0.198 10 false 3 5.333,0.104 5.563,0.323 0.229,0.219 10 false A 5.51,0.104 5.74,0.323 0.229,0.219 10 false B 5.677,0.104 5.906,0.323 0.229,0.219 10 false C 5.865,0.104 6.094,0.323 0.229,0.219 10 false D 6.052,0.104 6.281,0.323 0.229,0.219 10 false E 6.229,0.104 6.458,0.323 0.229,0.219 10 false F 6.385,0.104 6.615,0.323 0.229,0.219 10 false G 6.583,0.104 6.813,0.323 0.229,0.219 10 false H 2.177,1.063 2.792,1.26 0.615,0.198 10 false L29

Communication Table
Sender Receiver Signal Line
Main body ECU
(Multiplex Network Body ECU)
Combination Meter Assembly Wireless door lock hazard warning light request signal CAN