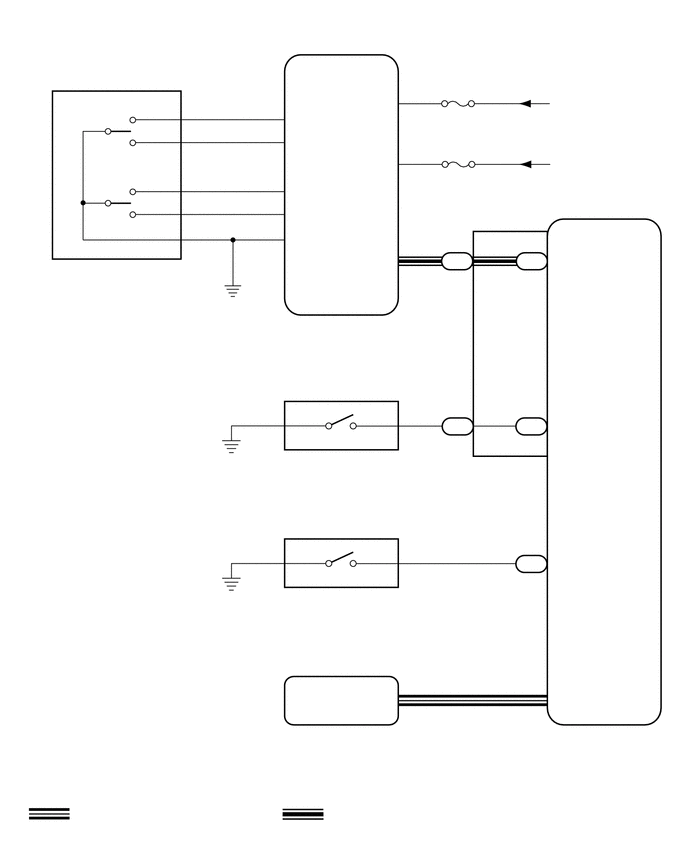
SLIDING ROOF / CONVERTIBLE SLIDING ROOF SYSTEM SYSTEM DIAGRAM
0.563,2.781 0.875,2.979
0.313,0.198
10
false
O10
0.542,2.969 2.104,3.5
1.563,0.531
10
false
Sliding Roof Switch (Map Light Assembly)
2.719,3.219 3.281,3.417
0.563,0.198
10
false
O16
2.719,3.365 4.625,3.729
1.906,0.365
10
false
Sliding Roof ECU (Sliding Roof Drive Gear Sub-assembly)
1.542,1.073 1.99,1.281
0.448,0.208
10
false
OPN
1.573,1.302 2.021,1.51
0.448,0.208
10
false
CLS
1.406,1.813 1.854,2.021
0.448,0.208
10
false
DOWN
1.646,2.052 2.094,2.26
0.448,0.208
10
false
UP
1.521,2.323 1.969,2.531
0.448,0.208
10
false
GND
1.948,1.073 2.26,1.271
0.313,0.198
10
false
3
1.938,1.302 2.25,1.5
0.313,0.198
10
false
2
1.948,2.052 2.26,2.25
0.313,0.198
10
false
5
1.948,1.813 2.26,2.01
0.313,0.198
10
false
4
1.938,2.323 2.25,2.521
0.313,0.198
10
false
1
2.833,1.073 3.146,1.271
0.313,0.198
10
false
7
2.823,1.302 3.135,1.5
0.313,0.198
10
false
5
2.833,1.813 3.146,2.01
0.313,0.198
10
false
6
2.76,2.323 3.073,2.521
0.313,0.198
10
false
12
2.833,2.052 3.146,2.25
0.313,0.198
10
false
4
3.021,1.146 3.469,1.354
0.448,0.208
10
false
OPN
3.021,1.385 3.469,1.594
0.448,0.208
10
false
CLS
3.021,1.896 3.469,2.104
0.448,0.208
10
false
DWN
3.031,2.135 3.479,2.344
0.448,0.208
10
false
UP
3.031,2.406 3.479,2.615
0.448,0.208
10
false
E
4,0.99 4.25,1.323
0.25,0.333
10
false
B
3.958,1.604 4.406,1.813
0.448,0.208
10
false
IG
4.198,1.542 4.51,1.74
0.313,0.198
10
false
1
4.188,0.906 4.5,1.104
0.313,0.198
10
false
8
3.74,2.615 4.188,2.823
0.448,0.208
10
false
MPX1
4.208,2.5 4.521,2.698
0.313,0.198
10
false
11
4.563,1.167 6.167,1.417
1.604,0.25
10
false
S/ROOF
5.792,0.969 6.719,1.302
0.927,0.333
10
false
from Battery
4.396,1.792 5.729,2.083
1.333,0.292
10
false
ECU-IG NO. 4
5.792,1.604 7.135,1.938
1.344,0.333
10
false
from IG1 NO. 3 Relay
4.677,2.458 4.99,2.656
0.313,0.198
10
false
23
4.667,2.625 4.979,2.823
0.313,0.198
10
false
3C
5.438,2.625 5.75,2.823
0.313,0.198
10
false
MB
5.448,2.458 5.76,2.656
0.313,0.198
10
false
16
4.688,4.344 5,4.542
0.313,0.198
10
false
3E
4.688,4.167 5,4.365
0.313,0.198
10
false
37
5.438,4.344 5.75,4.542
0.313,0.198
10
false
MB
5.49,4.167 5.802,4.365
0.313,0.198
10
false
2
5.75,2.625 6.229,2.958
0.479,0.333
10
false
LIN2
4.583,4.792 5.656,5.333
1.073,0.542
10
false
Instrument Panel Junction Block Assembly
5.448,5.604 5.76,5.802
0.313,0.198
10
false
19
5.417,5.781 5.729,5.979
0.313,0.198
10
false
E31
2.667,4.542 2.979,4.74
0.313,0.198
10
false
L1
2.677,4.719 4.26,5.135
1.583,0.417
10
false
Front Door Courtesy Light Switch Assembly (for LH)
2.677,5.99 2.99,6.188
0.313,0.198
10
false
L36
2.667,6.167 4.25,6.583
1.583,0.417
10
false
Front Door Courtesy Light Switch Assembly (for RH)
2.698,7.625 4.698,8.042
2,0.417
10
false
Combination Meter Assembly
5.49,7.625 7.156,8.042
1.667,0.417
10
false
Main Body ECU (Multiplex Network Body ECU)
0.781,8.385 2.781,8.802
2,0.417
10
false
: CAN Communication Line
3.417,8.385 5.417,8.802
2,0.417
10
false
: LIN Communication Line
5.75,4.344 6.229,4.677
0.479,0.333
10
false
FLCY
5.75,5.781 6.229,6.115
0.479,0.333
10
false
FRCY
4.198,4.26 4.51,4.458
0.313,0.198
10
false
1
4.208,5.667 4.521,5.865
0.313,0.198
10
false
1
| Sender | Receiver | Signal | Line |
|---|---|---|---|
| Main Body ECU (Multiplex Network Body ECU) | Sliding Roof ECU (Sliding Roof Drive Gear Sub-assembly) | ·
Sliding roof operation permission signal ·
IG signal ·
Front door courtesy light switch assembly signal ·
Vehicle speed signal |
LIN |
| Sliding Roof ECU (Sliding Roof Drive Gear Sub-assembly) | Main Body ECU (Multiplex Network Body ECU) | Sliding roof glass position signal | LIN |
| Combination Meter Assembly | Main Body ECU (Multiplex Network Body ECU) | Vehicle speed signal | CAN |
| Main Body ECU (Multiplex Network Body ECU) | Combination Meter Assembly | Sliding roof open warning request signal | CAN |